 |
Corel FORUM
Forum użytkowników programów firmy Corel. Grafika wektorowa, rastrowa i obróbka zdjęć cyfrowych
|
|
Corel PaintShop Photo Pro X3 |
| Autor |
Wiadomość |
TomaszTech
Początkujący

Dołączył: 29 Mar 2011 Posty: 1 Skąd: Piotrków Trybunalski
|
Wysłany: 29 Marzec 2011, 23:51 Corel PaintShop Photo Pro X3
|
|
|
Witam .
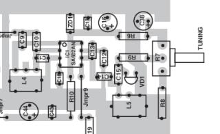
Mam mały problem nie zajmuje się zawodowo grafiką, jestem amatorem. Program Corel PaintShop Photo Pro X3 oryginał. Tak wiem wszyscy piszą że jest do bani.
Chce usunąć jeden kolor z całego zdjęcia, a tak dokładnie jest to pdf, ale mogę go zamienić na dowolny plik graficzny, na tym schemacie są naniesione elementy elektroniczne w jednym kolorze, a ścieżki płytki drukowanej są w kolorze, przyjmijmy że są niebieskie, elementy czarne. Jak mam usunąć te elementy.
Proszę mi to wytłumaczyć łopatologicznie o ile jest to możliwe do zrobienia.
1.JPG
|
Pobierz Plik ściągnięto 819 raz(y) 11.72 KB |
|
|
|
|
 |
Wojtek Kowalews
Znawca ketjow

Pomógł: 13 razy Wiek: 69 Dołączył: 05 Cze 2006 Posty: 151 Skąd: Kalisz
|
Wysłany: 10 Kwiecień 2011, 19:44
|
|
|
| Podeślij mi tego *pdfa. Spróbuję. |
|
|
|
 |
|
|
Nie możesz pisać nowych tematów Nie możesz odpowiadać w tematach Nie możesz zmieniać swoich postów Nie możesz usuwać swoich postów Nie możesz głosować w ankietach Nie możesz załączać plików na tym forum Możesz ściągać załączniki na tym forum
|
Dodaj temat do Ulubionych Wersja do druku
|
|
|
|
|
|
|
Nowe zasady dotyczące cookies. Wykorzystujemy pliki cookies, aby nasz serwis lepiej spełniał Państwa oczekiwania. Można zablokować zapisywanie cookies, zmieniając ustawienia przeglądarki.
| | Strona wygenerowana w 0.11 sekundy. Zapytań do SQL: 11 |
|
|